网站首页
关于我们
服务项目
公司环境
新闻中心
主要业绩
联系我们
新闻分类
公司新闻
行业动态
最新新闻
报告编号:JXLX2026-260012新余市...
报告编号:JXLX2026-0010上高杰圣...
报告编号:JXLX2026-0022 创维视...
报告编号:JXLX2026-005新余越欣...
联系我们
电话:18160759998
邮箱:18160759998@163.com
地址:江西省宜春市袁州区花园坪路张家山菜市场三楼
详细信息
您的当前位置:
首 页
>
新闻中心
>
详细信息
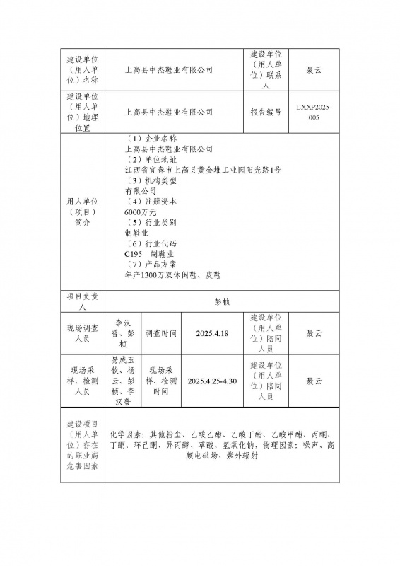
报告编号:LXXP2025-005报告名称:上高县中杰鞋业有限公司现状评价公示_页面_1
发布时间:2025-06-20 11:38:00     浏览:次
上一篇:
报告编号:LXXP2025-006报告名称:上高县中杰鞋业有限公司田心分公司现状评价公示_页面_1
下一篇:
报告编号:JXLX2025-0046萍乡市美孚伦石化有限公司小水站检测报告公示