网站首页
关于我们
服务项目
公司环境
新闻中心
主要业绩
联系我们
新闻分类
公司新闻
行业动态
最新新闻
LXKP2025-022 分宜和骏新能源科技...
LXKP2025-023江西聚造新能源科技...
LXXP2025-023江西趣蜂专用车装备...
报告编号:JXLX2026-260012新余市...
联系我们
电话:18160759998
邮箱:18160759998@163.com
地址:江西省宜春市袁州区花园坪路张家山菜市场三楼
详细信息
您的当前位置:
首 页
>
新闻中心
>
详细信息
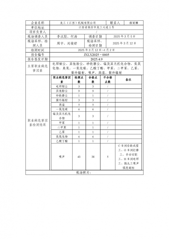
报告编号:JXLX2025-0005龙工(江西)机械有限公司检测报告公示_页面_1
发布时间:2025-04-15 17:17:00     浏览:次
上一篇:
报告编号:JXLX2025-0014六和电子(江西)有限公司检测报告公示_页面_1
下一篇:
报告编号:JXLX2025-0008嘉吉饲料(宜春)有限公司检测报告公示_页面_1